Assa låsekasse Connect 310/35h vend. (968330)

6255968330
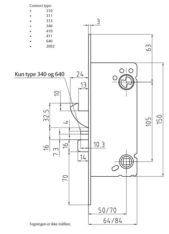
Falle- og hagerigellås med 90° nøgledrejning Låsekassen kan anvendes til døre, hvor der ønskes aflåsning med rigel og dørgrebsfallefasthold. Dørgrebsfallen trækkes ind i låsekassen med dørgrebet. Hageriglen trækkes ind i låsekassen med nøgle eller vridergreb.
Billigst på PriceRunner
DKK 443,00 - DKK 537,00 InStock Tilgængelige på lager

Dornmål

Retning

alice
hideAddToCart:False
isDetailPage:True
whenVariantsExist:disable

Gratis levering
På alle ordrer over 799 DKK
Dag til dag levering
På lagervarer bestilt inden kl. 12
Over 120.000 tilfredse kunder
Vi står klar til at hjælpe dig
Dansk virksomhed
Få råd og vejledning på mail og telefon

 


 

 


 

EAN/GLN nummer
7332404091746
Producent varenummer
357528163057
Tekniske specifikationer Falle der tolererer en skævhed mellem dør og karm på ± 4°. Låsekasser med dornmål 50 og 70 mm kan monteres med Ruko sikkerhedscylinder eller ovalcylinder. Låsekasser med dornmål 35 mm kan monteres med Ruko ovalcylinder. Fås i 35, 50 og 70 mm dornmål. Stolpen er af blank zinkbehandlet stål, hvilket giver en modstandsdygtig og neutral overflade som passer ind i alle miljøer. Falle af drejet stål med blank zinkbehandling.

Relaterede produkter

Mest solgte